This page explains why a laser head may fail to reset properly and continuously crash into the origin position during startup. It outlines the most common causes related to switch settings and limit switch issues, along with clear, step-by-step solutions to restore normal homing behavior.
Upon turning on the machine, the laser head fails to home correctly and continuously crashes into the origin position.

When removing the internal packaging foam from a new machine, the rotary axis switch can sometimes be accidentally toggled. If this switch is ON, the laser head will not be able to reset normally.
Open the machine door and locate the rotary switch in the bottom right corner.
Ensure the switch is in the OFF position, then restart the machine and check if the laser head homes correctly.


Inspect the limit switch for any signs of physical damage, displacement or misalignment.
Open the Diagnose page on the control panel. Then press the limit switch with your finger. The corresponding button on the screen turns from green to red.
If the button remains green, the switch is faulty, please contact ONELASER After-Sales Support for a replacement part.


Check the connections at both the switch and the motherboard:
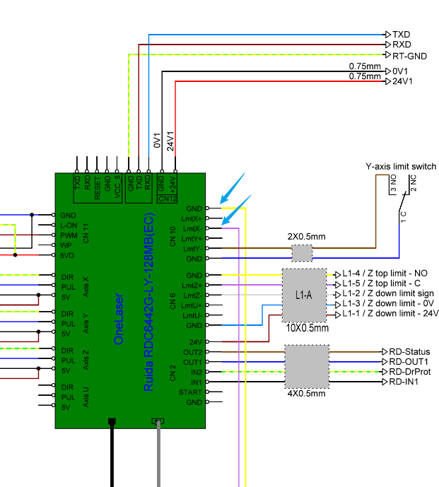
At the Switch: Ensure the Purple wire is correctly connected to the C port and the Yellow wire is correctly connected to the NO port.

At the Mainboard: Remove the right-side panel, locate the mainboard, and find the CN10 port. Ensure the purple and yellow wires are plugged in securely and are not loose.


Important Reminder:
If these steps do not resolve the issue, please submit a support ticket. A technician will then be able to conduct a more in-depth diagnosis.